气动对夹式软密封蝶阀-D671X

气动对夹式软密封蝶阀-D671X
  • 销售
  • 销售
  • 传真

详情介绍

  • 产品介绍
  • 服务承诺
  • 订货流程

D671X气动对夹式软密封蝶阀采用双偏心结构,具有越关越紧的密封功能,密封性能可靠。密封副材料选用不锈钢和丁腈耐油橡胶配对,使用寿命长。橡胶密封圈即可位于阀体上,也可以位于蝶板上,可适用不同特点的介质,供用户选择。蝶板采用框架结构,强度高,过流面积大,流阻小。整体烤漆、能有效地防止锈蚀且只要更换密封阀座密封材料,就可使用于不同介质。D671X气动对夹式蝶阀具有双向密封功能,安装时不受介质流向的控制,也不受空间位置的影响,可在任何方向安装。本阀结构独特,操作灵活,省力,方便。

气动对夹式软密封蝶阀 结构特点

D671X气动对夹式蝶阀采用对夹板式结构,主要由阀体,阀板,阀轴,阀座及传动装置组成,结构简单紧凑,小巧轻便,运输,安装,拆卸方便;90的启闭,开关迅速,操作扭矩小,省力轻巧;密封性能好,使用寿命长,可达到零泄露;其流量特性近似于直线,调节性能好。阀门为橡胶密封,关闭时蝶板和阀座密封性能良好,双向密封性能优良,扭矩值小,阀门在工作压力下保持,且蝶板与阀座密封之间的磨擦小。D671X气动对夹式蝶阀由阀轴驱动阀板,阀板做90°转动。蝶板启闭灵活,无卡涩、跳动现象,扭矩小。

气动对夹式软密封蝶阀 产品用途

软密封中线对夹式蝶阀,双偏心法兰式蝶阀结构紧凑,90°回转开关轻松,密封可靠,使用寿命长,D671X气动对夹式蝶阀广泛用于水厂、电厂、钢厂、造纸、化工、轻纺、食品等给排水、气体管道上作调节流量和截流介质的作用。

气动对夹式软密封蝶阀 执行机构

D671X气动对夹式蝶阀采用新型系列GT型气动执行器,有双作用式和单作用式(弹簧复位),齿轮传动,安全可靠;大口径阀门采用系列AW型气动执行器拔叉式传动,结构合理,输出扭矩大。

1、切断型附件:单电控电磁阀、双电控电磁阀、限位开关回讯器

2、调节型附件:电气定位器、气动定位器、电气转换器

3、气源处理附件:空气过滤调压阀、气源处理三联件

4.采用电-气阀门定位器,以电信号和压缩空气为动力,接受控制系统输入的0-10mA DC或4-20mA DC电流信号,由调节器将压缩空气,转换成气源压力信号输入输出,改变阀板的旋转角度(0-90°任意角度),具有较好的调节控制流量等参数

5、采用电磁换向阀、阀位回讯器,以AC220V或DC24V电源电压和压缩空气作动力,实现对流体介质的快速二位切断控制。气动执行机构采用活塞式气缸及曲臂转换结构,输出力矩大,体积精小,采用全密封防水设计防护等级高

6、气缸体采用镜面气缸,无油润滑,磨擦系数小、耐腐蚀、具有的耐用性及可靠性。所有传动轴承均采用边界自润滑轴承无油润滑,确保传动轴不摩损

气动对夹式软密封蝶阀 零件材料


零件名称

材料

阀体

灰铸铁、球墨铸铁、铸钢、不锈钢及特殊材料

蝶板

球墨铸铁、铸钢、不锈钢及合金钢

阀轴

2Cr13、不锈钢

密封圈

丁腈耐油橡胶、聚四氟乙烯

填料

O型圈、柔性石墨


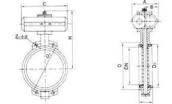
气动对夹式软密封蝶阀 外形尺寸


公称通径DN(mm)

结构长度(mm)

外形尺寸(mm)

连接尺寸(标准值)

0.6MPa

1.0MPa

1.6MPa

毫米

英寸

L

H1

H0

A

B

D0

n-d

D0

n-d

D0

n-d

50

2"

43

63

315

180

65

110

4-14

125

4-18

125

4-18

65

2 1/2"

46

70

330

180

65

130

4-14

145

4-18

145

4-18

80

3"

46

83

390

245

72

150

4-18

160

8-18

160

8-18

100

4"

52

105

431

240

72

170

4-18

180

8-18

180

8-18

125

5"

56

115

455

240

72

200

8-18

210

8-18

210

8-18

150

6"

56

137

626

350

93

225

8-18

240

8-22

240

8-22

200

8"

60

164

720

350

93

280

8-18

295

8-22

295

12-22

250

10

68

206

800

550

350

335

12-18

350

12-22

355

12-26

300

12

78

230

860

600

350

395

12-22

400

12-22

410

12-26

350

14

78

248

883

600

350

445

12-22

460

16-22

470

16-26

400

16

102

89

972

600

350

495

16-22

515

16-26

525

16-30

450

18

114

320

1043

750

380

550

16-22

565

20-26

585

20-30

500

20

127

343

1098

750

380

600

20-22

620

20-26

650

20-33

600

24

154

413

1236

750

380

705

20-26

725

20-30

770

20-36

700

28

165

478

1431

750

380

810

24-26

840

24-30

840

24-36

800

32

190

25

1488

750

380

920

24-30

950

24-33

950

24-39

900

36

203

620

1615

1250

380

1020

24-30

1050

28-33

1050

28-39

1000

40

216

725

1795

1500

580

1120

28-30

1160

28-36

1170

28-42

1200

48

254

780

1976

1500

580

1340

32-33

1380

32-39

1390

32-48


良好的品质、优良的服务 开云网页版界面·开云(中国)为你创造更多价值!

“开云网页版界面·开云(中国)”的期望,不断提升服务质量,精益求精,“真诚的服务”是“开云网页版界面·开云(中国)”永恒的主题。“开云网页版界面·开云(中国)”严格按照IS09001-2000 质量体系认证要求,质量严格把关, 责任到人,确保生产、销售、服务的健康运行。加强与用户沟通,竭诚为广大客户提供优良产品,至善至美服务。特此我厂做出以下承诺:

产品标准:

产品严格按照中国GBHG 标准和美国API等标准设计、制造、验收。密封面硬度达到国家规定要求,宽度超过国家标准。

售前服务:

产品介绍,技术交流,非标产品设计,疑难解答。

售中服务:

守信合同,保证及时供货,随时保持与客户联系。 对特殊或复制的产品,我厂安排技术人员对用户进行产品使用、故障排除

售后服务:

1、“开云网页版界面·开云(中国)”牌产品品质期为自出厂起12个月,实行“三包”服务(包退、包换、保修)。

2、产品在使用中我厂定期组织技术、质检人员进行访问,征询用户对产品质量、 使用状况、改进意见等方面的反馈, 以便进一步提高产品质量。

3、对用户投诉质量问题,快速作出反应,售后服务人员在24-36小时(省外48小时)赶赴现场。

4、对售后服务,要求用户填写服务后的质量反馈信息表,并作出鉴定意见,以便提高开云网页版界面·开云(中国)的服务质量。

1、客户如对产品有特殊要求,须在订货合同中提供以下说明:

a、结构长度;

b、连接形式;

c、公称直径、全通径、缩径、管道尺寸;

d、运行介质及温度、压力范围;

e、试验、检验标准及其他要求

2、本厂可根据客户特定要求配置各类驱动装置。

3、如由客户提供确定的阀门类型和型号时,客户应正确说明其型号的含义和要求,在供需双方理解一致的条件下签订合同。

4、期货、订货的客户请先来电函详细告诉所需的阀门型号、规格、数量以及交货时间、地点,并按总的30%预定金或全额货款及时汇入我厂帐户,其余货款待发货前汇入,以便及时安排发货。

 

订单流程:

1、客户采购清单传真至,或来电咨询

2、收到客户采购清单,为客户提供阀门型号选型与报价(价格清单)。

3、具体商定:交货期、特殊要求等事宜。

订货须知:

1、客户如对产品有特殊要求,须在订货合同中提供以下说明:

a、结构长度;

b、连接形式;

c、公称直径、全通径、缩径、管道尺寸;

d、运行介质及温度、压力范围;

e、试验、检验标准及其他要求

2、本厂可根据客户特定要求配置各类驱动装置。

3、如由客户提供确定的阀门类型和型号时,客户应正确说明其型号的含义和要求,在供需双方理解一致的条件下签订合同。

4、期货、订货的客户请先来电函详细告诉所需的阀门型号、规格、数量以及交货时间、地点,并按总的30%预定金或全额货款及时汇入我厂账户, 其余货款待发货前汇入,以便及时安排发货。

售中服务:

守信合同,保证及时供货,随时保持与客户联系。

对特殊或复制的产品,我厂安排技术人员对用户进行产品使用、故障排除

售后服务:

1、“开云网页版界面·开云(中国)”产品品质期为自出厂起12个月,实行三包服务(包退、包换、保修)。

2、产品在使用中我厂定期组织技术、质检人员进行访问,征询用户对产品质量、使用状况、改进意见等方面的反馈,
以便进一步提高产品质量。

3、对用户投诉质量问题,快速作出反应,售后服务人员在24-36小时(省外48小时)赶赴现场。

4、对售后服务,要求用户填写服务后的质量反馈信息表,并作出鉴定意见,以便提高“开云网页版界面·开云(中国)”的服务质量。

声明

  1. 本文中所有文字、数据、图片均只适用于参考,气动对夹式软密封蝶阀-D671X性能参数、结构尺寸参数、价格等详情,请联系我们
  2. 若无说明,本文章均为原创,转载时请注明本文地址,谢谢合作!